Douilles 1/4″ longues 6 pans en mm
Forgées en acier au chrome-vanadium. Surface drive SAM.
Maintien de la douille sur les accessoires 1/4″ par bille.
Présentation chromée polie brillante.
Forgées en acier au chrome-vanadium. Surface drive SAM.
Maintien de la douille sur les accessoires 1/4″ par bille.
Présentation chromée polie brillante.
DIN 3120,DIN 3124,DIN 899,NF ISO 1174-1,NF ISO 1711-1,NF ISO 2725-1
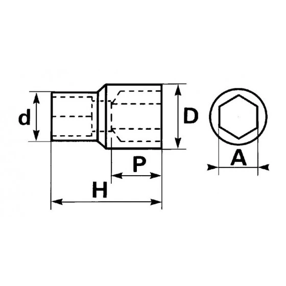
Caractéristiques techniques
A mm : 4
D mm : 12
d mm : 6,5
H mm : 50
P mm : 5
Poids g : 17
D mm : 12
d mm : 6,5
H mm : 50
P mm : 5
Poids g : 17














Avis
Il n’y a pas encore d’avis.